Energy4All - исследования свободной энергии


Редакция: 19/04/26

Визуализация беззатратного заряда конденсатора. Cвечение лампы накаливания от энергии поля.

Новизна представленного подхода заключается в демонстрации схемотехнических решений и описании принципов построения открытой системы, которая не только возвращает источнику питания энергию, на что указывает нулевое потребление, но и заряжает конденсатор, сообщая ему значительный заряд, используя энергию пространства.

Целью выбора нулевого тока потребления является возможность наглядной демонстрации общего принципа открытых систем: энергия заряда конденсатора не определяется затратами источника питания в случае, если схемотехнические решения строятся на основе принципов, заложенных классиками электродинамики — Майклом Фарадеем (открывшим явление индукции), Джеймсом Клерком Максвеллом (создавшим теорию поля), Джоном Генри Пойнтингом и Оливером Хевисайдом (описавшими поток энергии через поле), чья фундаментальная роль в описании процессов передачи энергии игнорируется современной наукой.

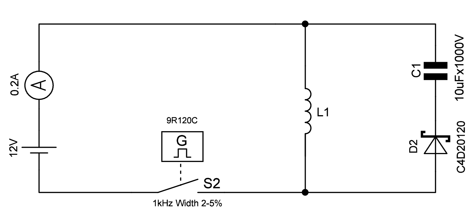
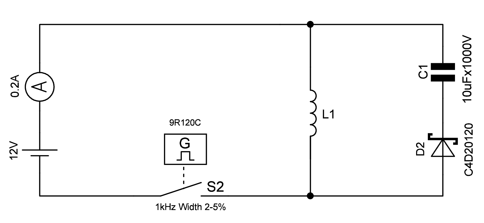
Описание схемы.

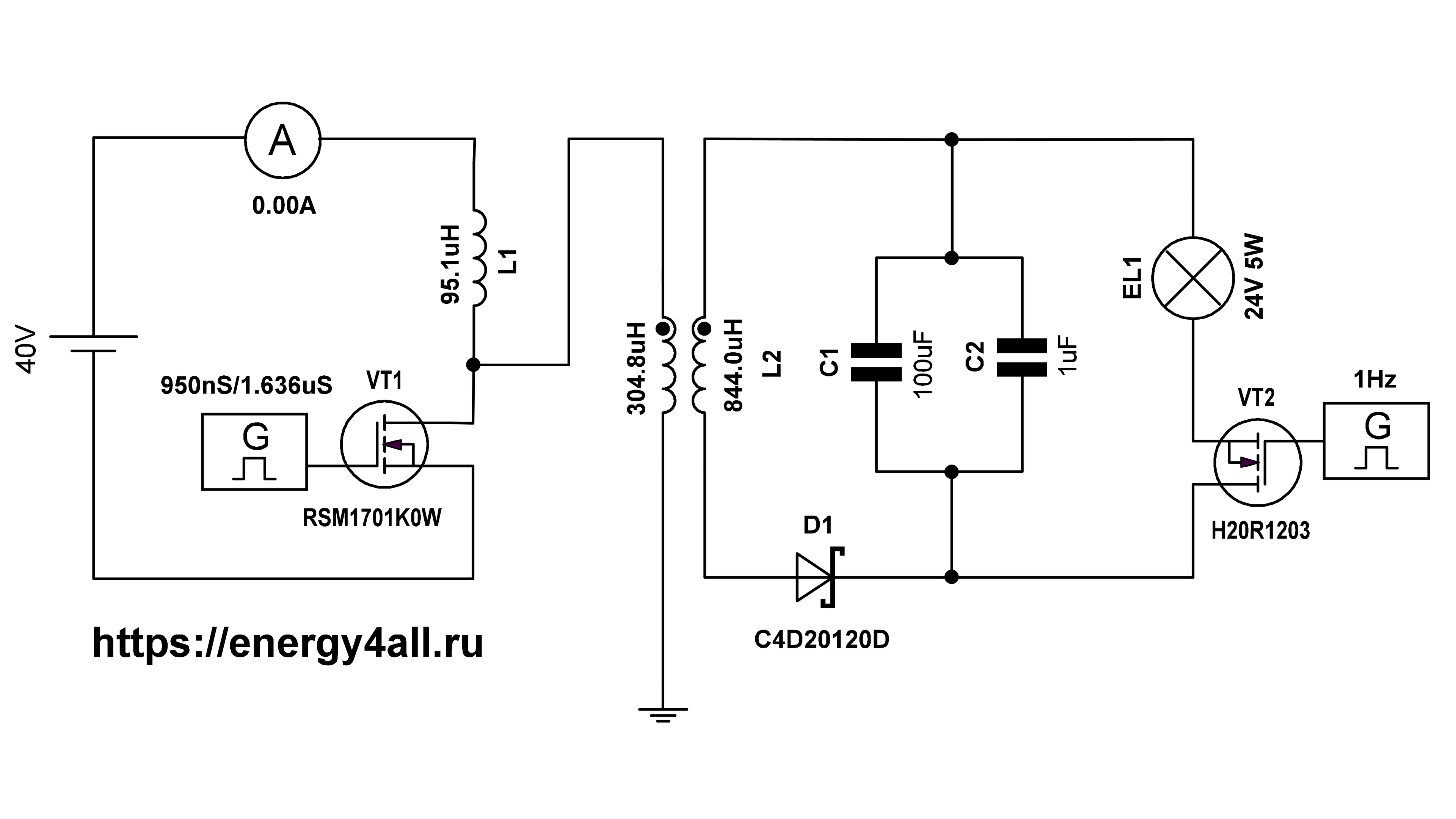
Источник PS1 создаёт постоянную разность потенциалов 40 В. Положительный полюс PS1 соединён с первым выводом катушки L1 (синий провод 2,5 мм², 68.9 мкГн). Второй вывод L1 соединён со стоком транзистора Q1 (RSM1701K0W), управляемый генератором. Исток Q1 соединён с отрицательным полюсом PS1.

Электрическая схема генератора свободной энергии

Сток транзистора Q1 соединён с первым выводом катушки L2.1 (красный провод 2,5 мм², 304.8 мкГн). Второй вывод L2.1 соединён с реальным заземлением GND. Заземление организовано по ГОСТ, выполнено отдельным проводником, не соединено с защитным заземлением питающей сети и используется только в пределах экспериментального стенда. Поэтому ток проводимости между GND и минусом источника питания полностью отсутствует.

Катушка L2.2 (белый провод 0,75 мм², 844 мкГн) намотана на том же воздушном каркасе, что и L2.1. Первый вывод L2.2, со стороны заземления, соединён с анодом диода D1 (C4D20120D). Катод D1 подключён параллельно конденсаторам C1 (1 мкФ) и C2 (100 мкФ). Второй вывод L2.2 замыкает цепь на минус конденсаторов. В данной цепи образуется ток проводимости, который заряжает конденсаторы.

Конденсаторы C1 и C2 образуют последовательную цепь с транзистором Q2 (H20R1203) и лампой накаливания (24 В, 5 Вт). При открытии Q2 конденсаторы разряжаются через лампу, вызывая её вспышку.

Генератор DGE2070 должен быть запитан от независимого аккумулятора и гальванически развязан с затворами транзисторов через схему управления. Выход канала 1 генератора соединён с затвором Q1. Выход канала 2 генератора соединён с затвором Q2.

Демонстрация работы.

Видеоролик начинается с демонстрации работоспособности амперметра источника питания, к которому подключена маломощная лампа накаливания 220 В. Наблюдается слабое свечение нити накала. Ток потребления на источнике питания составляет 0.011 А, что при напряжении источника 40 В соответствует потребляемой мощности 0.011 × 40 = 0.44 Вт. Это демонстрация того, что амперметр производит измерения корректно.

После включения первого канала генератора начинается генерация импульсов. Период импульса составляет 1.63 мкс, транзистор находится во включенном состоянии 960 нс. Показания амперметра становятся равными нулю.

Ноль на амперметре источника питания не означает, что ток перестал поступать в электрическую цепь. Он означает, что после разрыва цепи транзистором возникает обратный ток, поступающий в источник питания, который не только компенсирует затраты, но и превышает их, на что явно указывает продолжающая светиться лампа накаливания 220V.

Частота 611.2 кГц была подобрана заранее. Критерием являлся нулевой ток потребления при коротком замыкании конденсатора и процесса его заряда. Данная частота зависит от конфигурации всей системы и будет различаться в другой реализации.

Определение интегральной величины баланса прямого и обратного тока равного нулю не является уникальной особенностью измерительной системы источника питания OWON ODP6033. В видеоролике показана настройка беззатратного заряда конденсатора для источника питания HSPY-400-01.

После подключения второго канала генератора конденсаторы начинают разряжаться через лампу накаливания 24V 5W с частотой 1 Гц. Вольтметр показывает изменение заряда конденсатора. После чего в ролике показан режим короткого замыкания конденсатора и отсутствие влияния короткого замыкания на ток потребления от источника питания. Отключение земли уменьшает заряд конденсатора, о чём свидетельствует меньшая яркость свечения лампы.

Физический механизм передачи энергии.

Электрическая схема генератора свободной энергии

1. При закрытии транзистора Q1 ток проводимости в цепи PS1 — L1 — Q1 — PS1 мгновенно прекращается. Резкое изменение тока di/dt в катушке L1 порождает вихревое электрическое поле E, которое создаёт ЭДС самоиндукции. Эта ЭДС вызывает обратный ток, поступающий в источник питания PS1. Измерения показывают: прямой ток 0.75 А, обратный ток достигает 13.3 А.

2. Катушка L2.1 одним выводом подключена к стоку Q1, другим — к заземлению GND. Ток проводимости между GND и минусом источника питания полностью отсутствует. В L2.1 нет замкнутого контура для тока проводимости. Резкое изменение dI/dt в L1 порождает ЭДС и, как следствие, мощный фронт изменяющегося электрического поля ∂E/∂t в точке разрыва «сток–L2.1–GND».

Именно это ∂E/∂t и есть ток смещения. Согласно уравнению Максвелла–Ампера, поскольку ток проводимости в L2.1 равен нулю, магнитное поле H создаётся исключительно током смещения.

3. Электрическое поле E (от стока Q1 к GND) и магнитное поле H (созданное током смещения) определяют вектор Пойнтинга S = E × H. Вектор S указывает направление потока энергии. При данной конфигурации (подключение земли GND) вектор S направлен из окружающего пространства внутрь L2.1. Это означает, что энергия поступает в систему не от источника PS1, а из внешнего электромагнитного поля.

4. Переменное магнитное поле H, созданное током смещения в L2.1, пронизывает вторичную обмотку L2.2, намотанную на том же воздушном каркасе. В замкнутом контуре L2.2 — D1 — C1||C2 — L2.2 возникает ток проводимости, который через диод D1 заряжает конденсаторы C1 и C2.

Была проверена ортогонально намотанная катушка L2.2 относительно L2.1. Заряд конденсаторов осуществляется в полном объёме. Это исключает классическую магнитную связь (через поле токов проводимости) и доказывает, что источник энергии для L2.2 — это поле, созданное током смещения (∂E/∂t), в рамках полной электродинамики Максвелла.

5. Транзистор Q2 с частотой 1 Гц замыкает цепь разряда конденсаторов через лампу накаливания. Энергия электрического поля конденсаторов преобразуется в тепловое излучение нити лампы, давая видимую вспышку.

Отключение земли GND нарушает граничные условия для электрического поля E. Вектор Пойнтинга S меняет направление, энергия из внешнего поля перестаёт поступать, что подтверждается уменьшением яркости лампы.

Категорически запрещается повторять данный эксперимент.

Данная работа демонстрирует эффекты, связанные с передачей энергии через электромагнитное поле окружающего пространства. В ходе эксперимента были зафиксированы явления, выходящие за рамки стандартных представлений о работе электрических цепей. В связи с этим эксперимент представляет потенциальную опасность.

Данный эксперимент не предназначен для повторения неподготовленными лицами и в бытовых условиях. Он требует специализированного оборудования, экранированного помещения и соблюдения мер радиационной и электромагнитной безопасности. Автор не несёт ответственности за любые последствия попыток воспроизведения эксперимента.

Конденсатор C2 ёмкостью 100 мкФ заряжается до 200 В и более. Это смертельно опасно. Даже после отключения питания конденсатор сохраняет заряд длительное время и может причинить тяжёлые электротравмы.

При дальнейшем увеличении частоты и напряжения источника питания баланс энергий не нарушается, однако пространство начинает «играть». Зафиксированы случаи самопроизвольного включения светодиодных ламп, управляемых через электромагнитные реле, без какого-либо гальванического соединения со схемой. Это свидетельствует о наличии непредсказуемых полевых взаимодействий. Не исключено повреждение чувствительного оборудования, включая медицинскую аппаратуру, системы жизнеобеспечения, бортовую электронику.

Электромагнитное поле, создаваемое схемой, может нарушать работу кардиостимуляторов, инсулиновых помп и других имплантированных электронных устройств. Эксперимент категорически запрещён для лиц с такими устройствами.

Природа передачи энергии из поля до конца не изучена. Длительное воздействие на биологические объекты не исследовалось. Возможны непредвиденные последствия для здоровья.


Редакция: 12/04/26

Беззатратный заряд конденсатора энергией
электромагнитного поля.

В настоящей работе продемонстрирована возможность заряда конденсатора без образования замкнутого контура для тока проводимости. Стандартная модель цепей с сосредоточенными параметрами предсказывает, что такой заряд невозможен. В статье представлена энергетическая система, описаны физические принципы её работы и показано, что система не только восстанавливает энергию источника питания, но и заряжает конденсатор, сообщая ему значительный заряд за счёт энергии внешней среды.

Данный результат находится в противоречии с интуитивными представлениями, основанными на законах Кирхгофа, однако все процессы, приводящие к заряду конденсатора в гальванически развязанной цепи при отсутствии энергозатрат со стороны источника питания, хорошо известны, физически обоснованы и строго описаны в рамках классической электродинамики Максвелла.

Схема эксперимента.

В эксперименте используется простой принцип: транзистор периодически разрывает цепь питания катушки L1, создавая импульс напряжения. Этот импульс со стока транзистора подаётся на вход катушки L2.1 одним проводом, второй конец катушки L2.1 может оставаться свободным либо подключаться к реальной земле, что означает отсутствие тока проводимости с источником питания. Вторая обмотка L2.2 (на том же каркасе, что и L2.1) через диод заряжает конденсатор.

Электрическая схема генератора свободной энергии

Элементы схемы.

Источник питания: ODP6033 — линейный источник с трансформатором на 50 Гц. Погрешность измерения тока: ≤ 0.1% + 8 мА. Для проверки повторяемости эффекта измерения также проводились с другими источниками питания (автомобильный пусковой бустер, бензогенератор, ИБП TERMO 1012 (1000 Вт, 12 В)). Эффект стабилен во всех случаях.

Ключ: Транзистор ci7n170sm с управляемой длительностью открытого состояния. Транзистор включён последовательно с катушкой L1 и разрывает цепь между L1 (68.9 мкГн) и минусом источника питания.

Заземление: организовано по ГОСТ, выполнено отдельным проводником, не соединено с защитным заземлением питающей сети и используется только в пределах экспериментального стенда.

Осциллограф: Siglent SDS1204X-E (полоса пропускания 200 МГц, частота дискретизации 1 Гвыб/с). Позволяет достоверно регистрировать фронты длительностью от 2–3 нс и выше. Фронты в экспериментах (десятки наносекунд) наблюдаются без искажений.

Катушка L1: индуктивность 68.9 мкГн. Один её вывод подключён к плюсу источника, второй — к стоку транзистора.

Трансформатор L2 (воздушный сердечник):

  • Первичная обмотка L2.1 (304.8 мкГн) одним концом подключена к стоку транзистора. Второй вывод L2.1 может находиться в двух состояниях: свободен (режим «без земли») либо подключён к реальному заземлению (режим «с землёй»).
  • Вторичная обмотка L2.2 (844 мкГн) через диод Шоттки C4D20120D заряжает накопительный конденсатор ёмкостью 1 мкФ. Анод диода подключён к выводу L2.2, находящемуся со стороны заземления.

Катушка L1 и трансформатор L2 физически разнесены в пространстве и не имеют магнитной связи. Единственная связь между ними — электрическое соединение через сток транзистора.

Важное уточнение: Полное отсутствие гальванической связи между элементами схемы невозможно в том смысле, что, согласно электродинамике Максвелла, все элементы схемы, источник питания, земля, экспериментатор находятся в едином энергетическом поле. Гальваническая развязка означает лишь отсутствие замкнутого пути для тока проводимости, но не исключает взаимодействие между элементами схемы через полевую структуру пространства и передачу энергии из окружающего пространства через токи смещения и электромагнитное поле.

Анализ тока в цепи источника питания.

На фотографии лабораторного стенда при напряжении источника питания 42 В амперметр источника OWON ODP6033 (как и прочих цифровых источников) показывает ноль. Однако это не означает отсутствия тока в цепи. Чтобы выяснить, что именно происходит в электрической цепи, между плюсом источника питания и индуктивностью L1 был включён прецизионный шунт.

Электрическая схема генератора свободной энергии

Подключения шунта.

Шунт 75mV/1A включён последовательно в цепь «плюс источника — L1». Земля пробника осциллографа подключена к плюсу источника (опорная точка), а сигнальный щуп — к стороне шунта, идущей к L1. Такое подключение позволяет фиксировать падение напряжения на шунте относительно плюса источника.

Электрическая схема генератора свободной энергии

На осциллограмме (жёлтый луч — падение напряжения на шунте, бордовый — напряжение на затворе транзистора) зафиксировано:

  • Падение напряжения на шунте: U_sh(forward) = –56 мВ..
  • Длительность открытого состояния: t_on = 916 нс.
  • Знак «минус» означает, что ток течёт от плюса источника через шунт, катушку L1 и транзистор к минусу источника.

Сопротивление шунта R_sh = 0,075 Ом. Ток в открытом состоянии:

I_forward = 0,056 / 0,075 ≈ 0,75 А


Обратный ток (транзистор закрыт).

Электрическая схема генератора свободной энергии

После закрытия транзистора возникает импульс тока длительностью 232 нс. Пиковое падение напряжения на шунте достигает 998 мВ. Полярность импульса — положительная, что указывает на направление тока к источнику питания (энергия возвращается в источник).

Пиковый обратный ток:

I_return_peak = 0,998 / 0,075 ≈ 13,3 А

Используемый проволочный шунт не подходит для точных измерений фронтов быстрее 500 нс из-за паразитной индуктивности. Обратный импульс короче (232 нс) и имеет крутой фронт — там влияние индуктивности шунта сильнее, и измеренная амплитуда 13.3 А может быть завышена, но сам факт наличия мощного обратного импульса сомнению не подвергается. Измеренная амплитуда нигде в расчётах энергий не применяется и носит качественный, а не количественный характер.

Энергетический анализ.

Энергия, запасённая в L1 перед разрывом:

E_L1 = 0,5 · 68,9·10⁻⁶ · (0,75)² ≈ 19,4 мкДж

Энергия, которая потребовалась бы для создания обратного тока 13,3 А через L1 (при условии, что вся энергия черпалась бы только из магнитного поля катушки):

E_return_needed = 0,5 · 68,9·10⁻⁶ · (13,3)² ≈ 6,1 мДж

Отношение: 6,1 мДж / 19,4 мкДж ≈ 314 раз

Обратный ток не является реактивной энергией, циркулирующей между источником и реактивным элементом. При реактивной циркуляции энергия, отданная источником, равна возвращённой. В нашем случае равенства нет.

Энергия обратного импульса в сотни раз превышает энергию, ранее запасённую в L1, что говорит о наличии дополнительного источника энергии.

Важно сделать паузу и разорвать сложившийся шаблон что источником энергии в рассматриваемой схеме является исключительно аккумуляторная батарея. Это не так. Проведу аналогию: источниками ЭДС (электродвижущей силы) могут быть солнечная батарея, катушка с движущимся магнитом, термопара. В данной схеме источником дополнительной энергии служит процесс резкого выключения транзистора — на это явно указывает определение ЭДС самоиндукции, которая возникает в проводящем контуре при изменении протекающего через него тока и описывается уравнением Максвелла — Фарадея:

ЭДС = –L · di/dt

Проще говоря, резко изменяя ток в цепи (di/dt), мы создаём дополнительный источник энергии. Следствием возникновения ЭДС самоиндукции является появление электрического поля, которое порождает ток проводимости. Почему ток направлен против основного тока и возвращает энергию в источник питания? В данной работе этот вопрос не рассматривается, так как данное явление хорошо изучено и используется в обратноходовых преобразователя

Что показывает ноль на амперметре.

Ноль на амперметре лабораторного источника OWON ODP6033 (и других цифровых источников) демонстрирует не отсутствие тока, а баланс между энергией, отданной источником в схему, и энергией, возвращённой из схемы обратно в источник.

Это связано с особенностями работы его измерительной системы:

  • Источник имеет высокую точность (разрешение 1 мА) и низкий уровень пульсаций (линейная топология).
  • Амперметр в таких приборах измеряет усреднённое (или интегральное) значение тока за период времени, значительно превышающий длительность импульса (916 нс). Он не разделяет прямой и обратный токи.
  • Кроме того, амперметр может брать значение тока по модулю, ошибочно интерпретируя возврат энергии в источник как её потребление.

В результате мощный обратный импульс (13.3 А) компенсирует прямой ток (0.75 А) в показаниях прибора, давая ноль, хотя мгновенные токи в цепи велики. Если же амперметр работает по модулю, обратный импульс будет зарегистрирован как ток потребления, что полностью искажает реальную картину энергообмена и приводит к ложному выводу о высоком потреблении схемы.

Показания встроенного амперметра в подобных экспериментах не следует интерпретировать как измерение мощности, потребляемой схемой от источника. Ноль означает лишь равенство отданной и возвращённой энергии за время усреднения, но не отсутствие тока как такового.

Влияние земли на заряд конденсатора.

В видеороликах, ссылки на которые приведены ниже, показана работа схемы и её настройка. Демонстрируется не только восстановление энергии источника питания (баланс энергий равен нулю), но и заряд конденсатора за счёт энергии, поступающей из внешнего электромагнитного поля.


Режим без земли. При отсутствии заземления заряд конденсатора ёмкостью 1 мкФ составляет примерно 12 В. Ток потребления от источника равен нулю.

Энергия конденсатора в этом режиме:

E_без_земли = 0,5 · 1·10⁻⁶ · 12² = 72 мкДж

Режим с землёй. После подключения заземления ток потребления на источнике питания возрастает до 0,017 А. Это означает, что баланс между отданной и возвращённой энергией нарушился: схема начинает потреблять больше, чем возвращает. Заряд конденсатора при этом увеличивается до 100 В.

Энергия конденсатора:

E_с_землёй = 0,5 · 1·10⁻⁶ · 100² = 5000 мкДж = 5 мДж

Подключение к реальной земле увеличивает энергию конденсатора почти в 70 раз (5000 / 72 ≈ 69,4) при незначительном росте тока потребления (с 0 А до 0,017 А). Это подтверждает участие дополнительного источника энергии — внешнего электромагнитного поля.

В следующей части видеоролика показано, что подбором частоты следования импульсов баланс энергий (переданной в схему и возвращённой обратно) восстанавливается до нуля, что фиксируется амперметром на источнике питания. Частота, при которой баланс нарушен, выбрана намеренно — чтобы продемонстрировать процесс его настройки подбором частоты.

После настройки баланса напряжение на источнике питания поднимают до 42 В. Данное изменение не влияет на баланс энергий. Конденсатор заряжается до 306 В, при этом ток потребления остаётся равным нулю.

Энергия конденсатора в этом режиме:

E_42_306 = 0,5 · 1·10⁻⁶ · 306² ≈ 46,8 мДж = 46800 мкДж

Сравнение с режимом «без земли» (72 мкДж): 46800 / 72 ≈ 650 раз

Таким образом, при напряжении источника 42 В и подключённой земле конденсатор запасает энергию в 650 раз бóльшую, чем в режиме без земли при 12 В, при нулевом токе потребления (баланс восстановлен).

Физический механизм процесса.

Физический механизм работы схемы известен и описан более 100 лет назад:

  • 1861 г. — Дж. Максвелл вводит понятие тока смещения.
  • 1865 г. — опубликована «Динамическая теория электромагнитного поля».
  • 1873 г. — выходит «Трактат об электричестве и магнетизме».
  • 1884 г. — Дж. Пойнтинг вводит вектор плотности потока энергии.

Электрическая схема генератора свободной энергии

В процессе закрытия транзистора в точке разрыва цепи (сток транзистора) возникает изменяющееся электрическое поле. При подключении заземления электрическое поле распространяется вдоль проводника между стоком транзистора и точкой заземления. Электрическое поле в проводнике приводит к формированию поверхностных зарядов, которые задают граничные условия для электрического поля E в окружающем пространстве. Распределение поверхностных зарядов определяется уравнениями Максвелла и уравнением непрерывности ∂ρ/∂t + div J = 0, выражающим закон локального сохранения электрического заряда.

Изменение электрического поля формирует ток смещения, который, согласно уравнению Максвелла–Ампера, определяет ротор магнитного поля, задаваемый уравнением curl H = J + ∂D/∂t. Таким образом, ток смещения создаёт вихревое магнитное поле H в окружающем пространстве, вектор которого направлен по касательной к поверхности проводника.

Вектор Пойнтинга S = E × H определяется значениями полей E и H и при наличии нагрузки направлен извне к центру проводника. Таким образом, вектор Пойнтинга однозначно указывает на поступление энергии в нагрузку из внешнего пространства, но не из земли, как принято считать среди некоторых исследователей.

В гальванически развязанной цепи L2.1 ток проводимости отсутствует — нет замкнутого пути для движения зарядов. Энергия в L2.2 индуцируется в результате переноса энергии из внешнего пространства в L2.1. В замкнутой цепи L2.2 — диод — конденсатор образуется ток проводимости, который выпрямляется диодом и накапливается в конденсаторе.

Согласно закону электромагнитной индукции Фарадея — Максвелла, di/dt (изменение тока в катушке L1, вызванное резким закрытием транзистора) является дополнительным источником энергии: она создаёт ЭДС самоиндукции, которая формирует импульс высокого напряжения. Импульс напряжения не может существовать без тока проводимости — это обратный ток (13,3 А), который возвращается в источник питания через замкнутую цепь, образованную обратным диодом и ёмкостью перехода транзистора или токами проводимости.

Источник питания не отдаёт энергию в окружающее пространство, он только создаёт условия для формирования полевой структуры «сток транзистора — земля». Одновременно с этим динамика изменения тока в катушке L1*(dI/dT) формирует возвратный ток, который подбирается таким образом, чтобы получить баланс между энергией, взятой от источника питания, и вернувшейся обратно, ориентируясь на нулевой ток потребления источника питания либо на увеличение заряда аккумуляторной батареи.

Примечание.

Ссылки на математические уравнения в данном описании не предназначены для погружения читателя в высшую математику. Их цель — показать, что рассматриваемые процессы, приводящие к заряду конденсатора в гальванически развязанной цепи при отсутствии энергозатрат со стороны источника питания, хорошо известны, физически обоснованы и строго описаны в рамках классической электродинамики, заложенной основателями этой теории.

Статьи.



Редакция: 12/04/22

Методика получения COP > 1 для систем с ЭДС самоиндукции.

Классический подход к оценке энергетических процессов в импульсных преобразователях опирается на гипотезу о равенстве энергий, накапливаемых в индуктивности и ёмкости. В настоящей работе это допущение проверяется методом прямого измерения энергии накопительных элементов: по ёмкости и напряжению — для конденсатора и по индуктивности и току — для катушки. Проведённый сравнительный анализ выявил наличие режимов, в которых коэффициент эффективности (COP) превышает единицу.


Описание схемы.

Исследование проведено на основе обратноходового преобразователя. Схема содержит последовательную цепь, состоящую из источника питания, индуктивности (катушка с воздушным сердечником), которая подключена к стоку транзисторного ключа (MOSFET/IGBT). Накопительный конденсатор подключён через диод Шоттки, анод которого соединён с точкой коммутации между ключом и индуктивностью. Такая топология обеспечивает заряд конденсатора исключительно импульсами ЭДС самоиндукции. Источник питания напрямую в процессе зарядки конденсатора не участвует.

Электрическая схема генератора свободной энергии

Функциональная работа преобразователя.

Работа преобразователя состоит из двух последовательных фаз:

  1. Ключ замкнут: Цепь «источник питания → индуктивность → ключ» замкнута, замкнута, диод Шоттки закрыт, конденсатор изолирован от цепи. Ток через индуктивность линейно нарастает, достигая к моменту размыкания ключа пикового значения Ipeak.
  2. Ключ разомкнут: При разрыве цепи образуется ЭДС самоиндукции ϵ=−L×ΔIpeak/Δt. Возникающая ЭДС открывает диод Шоттки, инициируя перераспределение зарядов и образование потенциальной энергии в конденсаторе.

Ключевые особенности, создающие условия для превышения единицы коэффициента эффективности (COP):

  • Источник питания не участвует в заряде накопительного конденсатора.
  • Процесс заряда инициируется исключительно действием импульса ЭДС самоиндукции.
  • Данное разделение цепей создаёт принципиальную возможность для превышения единицы коэффициентом эффективности (COP) процесса преобразования.

Методическое уточнение: В экспериментальной установке наилучший результат продемонстрировали MOSFET/IGBT-транзисторы STW4N150, IHW20N135R5, YGW25N135F1A, CRG25T135BKR3S, MS8N120FC с временем закрытия (Fall Time) порядка 50 нс и рабочим напряжением от 1200 В, что определяло критический параметр системы — скорость изменения тока di/dt и, соответственно, амплитуду генерируемой ЭДС самоиндукции.

Ограниченность классического описания и физическая
сущность ЭДС самоиндукции.

Классическая электродинамика не дает прямого объяснения механизму преобразования энергии магнитного поля в заряд на обкладках конденсатора. Формула ε = -L·(Δi/Δt),будучи адекватной в рамках модели замкнутой системы, описывает количественную сторону процесса, но не раскрывает его физической природы.

Физическая сущность явления заключается в том, что возникающая ЭДС представляет собой разность потенциалов, формируемую исключительно за счёт релаксации тока в индуктивности после полного запирания ключа. При этом энергия, запасённая в магнитном поле, рассеивается, тогда как амплитуда импульса ЭДС определяется динамикой переходного процесса (Δi/Δt),а не величиной исходно запасённой энергии.

Численный анализ для цепи с параметрами L = 100 мкГн, I_peak = 1 А подтверждает наблюдаемую зависимость:

  • При Δi/Δt = 1 А/мкс → ε = 100 В
  • При Δi/Δt = 10 А/мкс → ε = 1000 В.

Таким образом, генерируемая ЭДС самоиндукции представляет собой отклик физической среды на возмущение, создаваемое коллапсирующим изменением тока. Ключевым параметром этого отклика является скорость изменения тока (di/dt), а не исходно запасенная энергия в магнитном поле индуктивности. Данное обстоятельство указывает на то, что в формировании импульса участвуют внешние по отношению к цепи факторы, включая энергию вихревых электромагнитных полей в окружающем пространстве и механизмы взаимодействия с квантовыми флуктуациями вакуума.




Нарушение принципа суперпозиции в процессе кумулятивного
заряда конденсатора импульсами ЭДС самоиндукции.

Принцип суперпозиции, утверждающий аддитивность отклика системы на независимые воздействия, выполняется для линейных систем и является следствием линейности уравнений Максвелла. В представленном эксперименте наблюдается систематическое отклонение от этого принципа, проявляющееся в нелинейном накоплении энергии.

Видеоданные демонстрируют коррелированный рост амплитуды последовательных импульсов ЭДС самоиндукции и напряжения на накопительном конденсаторе. Синхронное усиление этих параметров свидетельствует о наличии положительной обратной связи, обусловленной изменением энергетического состояния физической среды в процессе накопления заряда.


Количественное подтверждение нелинейности системы.

Классическое соотношение ε = -L·di/dt предполагает линейную зависимость отклика системы. Экспериментальные данные противоречат этой модели: при идентичной скорости изменения тока di/dt амплитуда последовательных импульсов ЭДС возрастает. Первый импульс при нулевом напряжении на конденсаторе (U_C = 0) имеет амплитуду ε₁, тогда как последующие импульсы при U_C > 0 демонстрируют значения εn > ε₁.

Наблюдаемый эффект представляет собой нарушение свойства однородности [R(αA) = αR(A)] принципа суперпозиции. При постоянном воздействии (α = 1) система демонстрирует неинвариантный отклик, что указывает на нелинейный характер процессов и наличие памяти — зависимости состояния системы от предыстории воздействий.

Физическая интерпретация явления.

Генерируемая ЭДС самоиндукции представляет собой отклик физической среды на возмущение, создаваемое коллапсирующим изменением тока. Наблюдаемый кумулятивный эффект может быть объяснен последовательной модификацией состояния среды под воздействием предыдущих импульсов, создающей условия для направленного энергообмена. Данное явление не имеет объяснения в рамках классической электродинамики и требует разработки моделей, учитывающих незамкнутый характер системы и нелинейные свойства физического вакуума.


Фундаментальный принцип формирования импульсов ЭДС самоиндукции.

Ключевой идеей Н.Теслы было целенаправленное создание экстремально высоких скоростей изменения тока (di/dt) при коммутации индуктивных цепей. В его экспериментах достижение максимального тока с последующим резким обрывом цепи генерировало импульсы ЭДС самоиндукции высокой амплитуды. Хотя Тесла решал задачу управления переходным процессом методами искрогашения, физическая сущность явления - энергетическая эффективность, определяемая скоростью коммутации, - остается центральной при использовании полупроводниковых ключей.

Таким образом, воспроизведение энергетических эффектов, наблюдавшихся Теслой, достигается не копированием исторических конструкций, а инженерным воссозданием критического условия - контролируемой генерации экстремально крутых фронтов тока, что позволяет преодолевать традиционные ограничения по энергоэффективности в импульсных системах.


Кумулятивный заряд конденсатора и нарушения в классической энергетической модели.

Проведенный анализ осциллограмм эксперимента выявляет ключевые особенности энергетических процессов при коммутации индуктивной нагрузки. Временные диаграммы демонстрируют три синхронизированных процесса:

  • Желтый луч: Управляющий сигнал генератора, определяющий моменты коммутации.
  • Зеленый луч: Динамика тока в индуктивности с характерным линейным нарастанием при открытом состоянии ключа.
  • Синий луч: Ступенчатое накопление напряжения на накопительном конденсаторе.

Критический анализ данных выявляет фундаментальное противоречие с классической теорией. Согласно ей, амплитуда импульса ЭДС самоиндукции должна определяться энергией W = L·I²/2, запасенной в магнитном поле к моменту коммутации. Однако осциллограмма демонстрирует, что при практически идентичных площадях под кривой тока (соответствующих одинаковой запасаемой энергии W) в последовательных импульсах, амплитуда ступенчатого роста напряжения на конденсаторе существенно варьируется.

Осциллограмма процесса заряда накопительного конденсатора


Физический механизм процесса заключается в следующем: возникающая ЭДС самоиндукции ϵ=−L⋅di/dt создаёт в цепи "индуктивность-диод-конденсатор" разность потенциалов относительно напряжения Uc на конденсаторе. Эта разность потенциалов создаёт электрическое поле, вызывающее перераспределение свободных носителей заряда в цепи, что приводит к изменению количества заряда на обкладках конденсатора и, соответственно, росту Uc.​

Экспериментально установлено, что скорость перераспределения заряда снижается по мере роста Uc и приближения амплитуды импульсов ЭДС к предельному значению (~1000 В). Это визуализируется как уменьшение высоты «ступенек» напряжения на конденсаторе (синий луч), что напрямую связано со снижением разности потенциалов ∣ϵ−Uc∣, определяющей интенсивность процесса перераспределения зарядов.

Осциллографические данные убедительно доказывают, что ключевым параметром, определяющим эффективность перераспределения заряда, является не энергия, запасенная в магнитном поле (Wl), а скорость коммутационных процессов (di/dt), которая определяет величину потенциала (ϵ), инициирующего процесс. Полученные результаты требуют пересмотра традиционных подходов к анализу энергетического баланса в импульсных системах с индуктивными накопителями.


Оценка энергопотребления в импульсных режимах.

Исследованная схема имеет последовательную топологию: источник питания подключён к индуктивности, которая соединена со стоком транзисторного ключа; исток транзистора заземлён.

При открытии ключа потенциал стока опускается до потенциала земли. Осциллограмма (бордовый луч — напряжение на стоке) наглядно демонстрирует методологическую проблему оценки энергозатрат по формуле W=Vds×I×t для данной топологии. В открытом состоянии транзистора напряжение «сток-исток» (Vds) близко к нулю. Соответственно, мгновенная мощность Vds*I также стремится к нулю, что приводит к некорректной оценке энергии и не отражает реальную работу, совершённую источником питания для создания тока в индуктивности.

Ключевой методологический аспект: ЭДС самоиндукции формируется исключительно в точке разрыва тока (на стоке транзистора) и не связана с напряжением источника питания в фазе накопления энергии. Это фундаментальное физическое разделение процессов делает методологически неверным использование напряжения источника питания для оценки энергозатрат в цепи накопления.

Осциллограмма формирования ЭДС самоиндукции при коммутации тока

Таким образом, единственно корректным методом оценки энергозатрат источника питания является расчёт полной энергии, запасённой в магнитном поле индуктивности за время нарастания тока: W_source = W_L = (L × I_peak²)/2. Данный подход, основанный на фундаментальном принципе сохранения энергии в классической электродинамике, обеспечивает физически обоснованную методологию для последующего выявления аномалий в энергетическом балансе системы.


Экспериментальное исследование эффективности передачи энергии через ЭДС самоиндукции в импульсных LC-цепях.

Исследовался процесс образования энергии индуктивностями (катушка с воздушным сердечником) различной величины на конденсаторах разной ёмкости в импульсном режиме ЭДС самоиндукции.

Процесс передачи энергии осуществлялся в течение 400 мс, в течение которых генерировалось 400 идентичных импульсов с частотой следования 1 кГц. ЭДС самоиндукции, возникающая при коммутации индуктивностей, использовалась для зарядки конденсаторов. Для каждой комбинации L-C измерялось установившееся напряжение на конденсаторе после завершения импульсной последовательности.

Методика измерений:

  • Измерение тока проводилось через прецизионный шунт 2A/75мВ
  • Регистрация сигналов осуществлялась цифровым осциллографом
  • Фиксировалось линейное нарастание напряжения на шунте в фазе накопления энергии

Осциллограф для измерения параметров системы

L₁ = 16.1 мкГн (I = 6.51A, W_400 = 0.13632 Дж)
Ёмкость Напряжение W_C [Дж] W_L_400 [Дж] COP
3 мкФ 148 В 0.032856 0.13632 0.2410
10 мкФ 91 В 0.041405 0.13632 0.3037
100 мкФ 32.8 В 0.053792 0.13632 0.3946
L₂ = 59.6 мкГн (I = 6.51A, W_400 = 0.5048 Дж)
Ёмкость Напряжение W_C [Дж] W_L_400 [Дж] COP
3 мкФ 376 В 0.212064 0.5048 0.4201
10 мкФ 240 В 0.288000 0.5048 0.5705
100 мкФ 78 В 0.304200 0.5048 0.6026
L₃ = 137.5 мкГн (I = 6.51A, W_400 = 1.1644 Дж)
Ёмкость Напряжение W_C [Дж] W_L_400 [Дж] COP
3 мкФ 744 В 0.8303 1.1644 0.713
10 мкФ 436 В 0.9505 1.1644 0.816
100 мкФ 148 В 1.0950 1.1644 0.941
L₄ = 781.2 мкГн (I = 0.72A, W_400 = 0.0808 Дж)
Ёмкость Напряжение W_C [Дж] W_L_400 [Дж] COP
10 мкФ 154 В 0.1186 0.0808 1.467
20 мкФ 110 В 0.1210 0.0808 1.497
100 мкФ 50 В 0.1250 0.0808 1.547

Сводные результаты по всем индуктивностям.
Индуктивность Ток [А] W_imp [Дж] W_400 [Дж] Лучшая конфигурация W_C [Дж] COP
L₁ = 16.1 мкГн 6.51 3.41×10⁻⁴ 0.13632 C=100мкФ, U=32.8В 0.0538 0.395
L₂ = 59.6 мкГн 6.51 1.26×10⁻³ 0.5048 C=100мкФ, U=78В 0.3042 0.603
L₃ = 137.5 мкГн 6.51 2.91×10⁻³ 1.1644 C=100мкФ, U=148В 1.0952 0.941
L₄ = 781.2 мкГн 0.72 2.02×10⁻⁴ 0.0808 C=100мкФ, U=50В 0.1250 1.547

Примечание: W_imp - энергия одного импульса, W_400 - суммарная энергия за 400 импульсов, W_C - энергия в конденсаторе

Сложность настройки системы: COP критически зависит от согласования параметров, где COP может варьироваться от значений значительно меньше единицы до величин, превышающих 1.5. Экспериментальные данные демонстрируют, что система радикально меняет режим работы в зависимости от параметров: при использовании индуктивностей 16-137 мкГн с током 6.51 А система работает в энергодефицитном режиме (COP = 0.24-0.94), тогда как переход к индуктивностям 700-1500 мкГн с током 0.4-0.7 А обеспечивает энергоизбыточный режим (COP = 1.47-5.36).


Фотография лабораторного стенда для экспериментов со свободной энергией


Временное разделение заряда и разряда конденсатора.

Принципиальным отличием предложенной методики является строгое временное разделение фаз заряда и разряда накопительного конденсатора. В классических импульсных преобразователях постоянное подключение нагрузки создаёт шунтирующий путь, что препятствует эффективной передаче потенциала импульсов ЭДС самоиндукции в накопительный конденсатор, поскольку энергия мгновенно перераспределяется в нагрузку.

Ключевой особенностью исследованной системы является полное отключение нагрузки в режиме заряда. Это обеспечивает условия для максимальной передачи энергетического потенциала импульсов ЭДС самоиндукции непосредственно в накопительный конденсатор, исключая потери на параллельное потребление. Такой подход создаёт принципиально новые условия для кумулятивного накопления энергии, открывая режимы работы с COP > 1, недостижимые в классических схемах с постоянно подключённой нагрузкой.


Временные параметры цикла передачи энергии.

Для достижения COP > 1 длительность паузы между импульсами должна обеспечивать полное использование энергетического потенциала импульса ЭДС самоиндукции до начала следующего цикла. Данное условие является критическим и позволяет обеспечить:

  • Полную утилизацию энергии импульса — передачу всего энергетического потенциала ЭДС самоиндукции в накопительный конденсатор;
  • Оптимальную динамику заряда — поддержание скорости накопления энергии, соответствующей резонансным параметрам системы;
  • Завершение переходных процессов — полное затухание колебательных процессов в цепи до начала следующего цикла коммутации;
  • Минимизацию диссипативных потерь — исключение циркуляции остаточной энергии в реактивных элементах между импульсами.

Нарушение этого условия приводит к неполному использованию потенциала ЭДС самоиндукции и снижению COP до значений, характерных для классических преобразователей с непрерывной коммутацией.


Критерии выбора накопительного конденсатора.

Рабочее напряжение конденсатора должно быть не менее амплитуды импульсов ЭДС самоиндукции. Использование компонента с низким рабочим напряжением (300 В) при воздействии импульсов 1000 В приводит к необратимой деградации характеристик, что проявляется в снижении COP < 1, перегреве и риске разрушения компонента. Конденсатор К73-50 на 1000 В полностью отвечает требованиям эксперимента, обеспечивая:

  • Накопление расчетной энергии - 5 Дж
  • Стабильную работу - при многократных импульсных воздействиях высокой амплитуды;
  • Сохранение энергетического режима — поддержание COP > 1 без риска пробоя диэлектрика.

Соответствие рабочих характеристик конденсатора параметрам импульсов ЭДС самоиндукции является критическим условием для воспроизведения энергетического эффекта с COP > 1.


Оптимизация режима разряда накопительного конденсатора.

Анализ процесса разряда конденсатора на активную нагрузку показывает, что максимальная передаваемая мощность наблюдается в начальный момент времени, когда напряжение на обкладках достигает пиковых значений. Согласно формуле мгновенной мощности P(t) = U(t)·I(t), быстрое уменьшение напряжения приводит к экспоненциальному снижению передаваемой энергии.

Экспериментально установлено, что для достижения максимальной эффективности работы системы не требуется полный разряд накопительного конденсатора. Оптимальной стратегией является частичный разряд на 20-30% от максимального напряжения с последующим переходом в режим заряда.

Данный подход позволяет поддерживать напряжение в диапазоне максимального энергетического КПД, где отношение полезной энергии к затраченной достигает экстремальных значений. Реализация циклического режима "неполный разряд - заряд" обеспечивает стабильно высокое значение COP системы и повышает общую эффективность энергопреобразующего устройства.


Методологическое замечание.

Полученное значение COP > 1 следует рассматривать как отправную точку для дальнейшего научного анализа, а не как окончательный вывод. Ключевая значимость результата заключается не в констатации превышения эффективности, а в обнаружении физического эффекта, требующего:

  • Системной верификации методологии измерений и расчётов
  • Углублённого изучения природы наблюдаемого явления
  • Строгой научной интерпретации в рамках фундаментальных законов

Данное наблюдение открывает перспективу для исследования новых физических принципов преобразования энергии в импульсных системах с резкой коммутацией тока. Последующий анализ должен быть направлен на выявление и количественную оценку всех факторов, способных повлиять на энергетический баланс системы.


Оптимизация режима работы с аккумуляторным источником питания.

Экспериментально установлено, что использование аккумулятора в качестве первичного источника питания открывает дополнительные возможности для повышения эффективности системы. Путем оптимизации частоты и длительности импульсов удалось достичь режима, при котором на клеммах аккумулятора формируется напряжение, превышающее его текущий уровень заряда. Этот эффект обеспечивает:

  • Частичную компенсацию разряда аккумулятора за счет энергии, накопленной в системе
  • Увеличение продолжительности работы под нагрузкой без внешней подзарядки
  • Стабилизацию рабочих параметров системы в течение всего цикла разряда

Для наглядной демонстрации рабочих параметров системы в видеоролике представлены:

  • Мультиметр UNI-T красного цвета, отображающий напряжение на клеммах аккумулятора
  • Мультиметр OWON B41T синего цвета, фиксирующий ток потребления всей схемы
  • Осциллограф с отображением сигналов:
    • Зеленый луч: напряжение RMS на конденсаторе 100 мкФ 63V
    • Желтый луч: импульсный режим работы схемы
  • Лампа накаливания 220В 60Вт в качестве активной нагрузки

Критическое замечание по схемотехнике.

Одним из условий достижения максимальной эффективности системы явилось заземление положительной обкладки накопительного конденсатора. Сравнительные испытания подтвердили, что данная точка заземления обеспечила оптимальное перераспределение энергии электрического поля и максимальную амплитуду импульсов ЭДС самоиндукции. Созданная асимметричная конфигурация, в которой заземленная положительная обкладка выполняет функцию виртуального источника, является необходимым условием для воспроизведения режима работы с COP > 1.



Ключевое наблюдение:

После отключения схемы наблюдается характерное падение напряжения на аккумуляторе с последующим постепенным восстановлением до исходного состояния, что демонстрирует эффект поверхностного заряда и подтверждает рекуперативную природу процесса. Наличие лампы в качестве нагрузки позволяет визуализировать реальную мощность, передаваемую в цепь.

Тепловой режим работы.

Наблюдается стабилизация температуры полупроводникового элемента на уровне температуры окружающей среды, что свидетельствует о высоком КПД коммутационного процесса и отсутствии паразитного нагрева.

Механизм реверсивного заряда аккумулятора.

Наблюдаемый эффект подзаряда аккумулятора обусловлен формированием повышенного потенциала на его положительной клемме при импульсном воздействии ЭДС самоиндукции. Оптимизация параметров системы (частоты, длительности импульсов и нагрузки) позволяет достичь режима, при котором энергия, возвращаемая в аккумулятор за цикл, превышает отбираемую. Экспериментально зафиксировано прекращение разряда и начало заряда батареи, что подтверждает возможность создания систем с рекуперацией энергии, где аккумулятор выполняет функцию источника и накопителя энергии.

Сравнение с классическими DC/DC преобразователями.

В стандартных импульсных преобразователях рекуперация энергии через механизм ЭДС самоиндукции не наблюдается из-за фундаментальных архитектурных ограничений. Система обратной связи, основанная на резистивном делителе напряжения на выходе, при обнаружении превышения заданного уровня напряжениия:

  • Корректирует параметры ШИМ (уменьшает скважность или частоту импульсов)
  • Прерывает процесс накопления энергии на ранней стадии
  • Блокирует формирование полного импульса ЭДС самоиндукции

Нелинейность и требования к системе управления.

Классические методы проектирования импульсных систем, основанные на простом масштабировании параметров, оказываются неэффективными для достижения COP > 1. Экспериментально установлено, что зависимость эффективности от параметров управления имеет резко нелинейный характер. Например, увеличение частоты следования импульсов на два порядка не приводит к пропорциональному росту накопленной энергии.

Для достижения максимального COP >> 1 необходим адаптивный алгоритм управления, способный в реальном времени варьировать частоту и скважность импульсов на основе обратной связи по напряжению на накопительном конденсаторе. Критерием оптимизации является максимизация отношения Ec/Ws за цикл заряда конденсатора, где Ec - энергия в конденсаторе, Ws - энергия, затраченная источником.

Практическая реализация системы требует специализированной системы автоматического управления, поскольку оптимальная точка может находиться в широком диапазоне частот (от единиц до десятков килогерц). Такая система должна обеспечивать непрерывную подстройку параметров для поддержания режима максимальной эффективности при изменяющихся условиях работы.


Перспективы повышения эффективности
энергопреобразующих систем.

Предварительные эксперименты демонстрируют, что полученное значение COP = 1.98 не является предельным для данной схемы. Методом параметрической оптимизации удается достичь дальнейшего значительного увеличения коэффициента преобразования. Варьирование ключевых параметров системы открывает перспективы для существенного роста эффективности:

Основные направления оптимизации:

  1. Динамическое управление временными параметрами
    • Адаптивная длительность импульсов накачки
    • Оптимизация частоты следования импульсов
    • Регулирование паузы между импульсами
  2. Совершенствование конструктивных параметров
    • Подбор оптимальной индуктивности катушки
    • Использование материалов с улучшенными магнитными характеристиками
    • Минимизация паразитных параметров цепи
  3. Разработка интеллектуальных алгоритмов управления
    • Системы с обратной связью по напряжению на конденсаторе
    • Адаптация к изменяющимся условиям работы
    • Максимизация отношения E_c/W_s в реальном времени

Экспериментально наблюдалось превышение накопленной энергии над затраченной в несколько раз, что указывает на существенный потенциал метода. Дальнейшие исследования должны быть направлены на системное изучение зависимостей эффективности системы от её параметров и разработку практических рекомендаций для создания высокоэффективных энергопреобразующих устройств.


Заключение.

Полученные результаты подтверждают перспективность исследований в области импульсных систем с резкой коммутацией тока. Разработанная методика и верифицированная модель открывают новые возможности для создания энергопреобразующих систем с коэффициентом преобразования, превышающим единицу. Дальнейшая работа будет сосредоточена на оптимизации параметров системы и исследовании физической природы наблюдаемых эффектов.


Копилка: